牛宝体育app - 下载最新版
|
| 丝网阻火器应安装在燃料气或易燃液体蒸气进入喷嘴前的管道上。当喷嘴回火时,阻火器内金属丝网由于器壁效应转化为热能使火焰熄灭,阻止可燃气体和易燃液体蒸气火焰蔓延和防止回火而引起爆炸。 |
| |
|
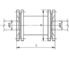
| 1、SFW-Ⅰ |
| 接
管
公称直径
DN |
结构尺寸(mm) |
接
管
公称直径
DN |
结构尺寸(mm) |
| D |
L |
D |
L |
| 15 |
215 |
338 |
65 |
335 |
460 |
| 20 |
215 |
344 |
80 |
335 |
460 |
| 25 |
215 |
350 |
100 |
335 |
460 |
| 32 |
280 |
376 |
125 |
440 |
506 |
| 40 |
280 |
376 |
150 |
440 |
510 |
| 50 |
280 |
376 |
|
|
|
| 注:设计压力1.0MPa,设计温度<80℃,壳体材质为20号钢,丝网材质为镀锌铁丝。 |
| 2、SFW-Ⅱ |
| 接管公称直径
DN |
结构尺寸(mm) |
接管公称直径
DN |
结构尺寸(mm) |
| D |
L |
D |
L |
| 15 |
215 |
315 |
50 |
280 |
351 |
| 20 |
215 |
320 |
65 |
335 |
435 |
| 25 |
215 |
325 |
80 |
335 |
435 |
| 32 |
215 |
351 |
100 |
335 |
437 |
| 40 |
280 |
357 |
|
|
|
| 注:设计压力1.0MPa,设计温度-80℃+400℃,壳体材质为Q235-A,丝网材质1Cr18Ni9Ti。 |
| 3、SFW-Ⅲ |
| 接管公称直径
DN |
结构尺寸(mm) |
接管公称直径
DN |
结构尺寸(mm) |
| D |
L |
D |
L |
| 200 |
535 |
770 |
350 |
755 |
890 |
| 225 |
535 |
770 |
400 |
755 |
890 |
| 250 |
640 |
820 |
450 |
975 |
1175 |
| 300 |
640 |
820 |
500 |
975 |
1175 |
|
|
|
| 注:设计压力1.0MPa,设计温度-80℃+400℃,壳体材质为Q235-A,丝网材质1Cr18Ni9Ti。 |
| 4、SFW-Ⅳ |
| 接管公称直径
DN |
结构尺寸(mm) |
接管公称直径
DN |
结构尺寸(mm) |
| D |
L |
D |
L |
D×S |
| 25 |
185 |
212 |
200 |
520 |
252 |
219×S |
| 40 |
195 |
212 |
250 |
580 |
282 |
273×S |
| 50 |
215 |
216 |
300 |
640 |
320 |
325×S |
| 80 |
280 |
220 |
350 |
705 |
357 |
377×S |
| 100 |
235 |
224 |
400 |
840 |
366 |
426×S |
| 150 |
405 |
248 |
|
|
|
| 注:设计压力1.6MPa,设计温度100℃,壳体材质为Q235-A,丝网材质为1Gr18Ni9Ti。 |
|
1、为了确保阻火器的性能达到使用的目的,在安装阻火器前,必须认真阅读本说明书,并仔细核对标牌与所装管线要求是否一致。
2、阻火器上的流向标记必须与介质流向一致。
3、每隔半年应检查一次。检查阻火层是否有堵塞、变形或腐蚀等缺陷。
4、被堵塞的阻火层应清洗干净,保证每个孔眼畅通,对于变形或腐蚀的阻火层应更换。
5、清洗阻火器芯件时,应采用高压蒸汽、非腐蚀性溶剂或压缩空气吹扫,不得采用锋利的硬件刷洗。
6、重新安装阻火层时,应更新垫片确认密封面已清洁和无损伤,不得漏气。 |