| Y型过滤器 (DGY型のフィルタ) |
|
|
|
过滤器是从流体中分离固体颗粒杂质,提高产品纯度,保护设备 ( 压缩机、泵、仪表等 ) 安全工作的产品。
日本大野机械南通工厂生产的系列过滤器其强度和密封试验执行中国 HGJ532-91 系列标准 ,其种类有Y型、T型、锥型、篮式、罐型等。
接管形式有对焊连接、法兰连接和丝口连接。
壳体材质有碳钢、铸钢、各种牌号的不锈钢等。
|
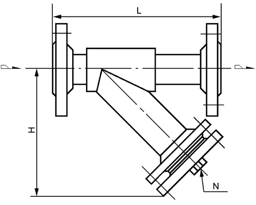
| 1、Y型同径法兰连接铸造式过滤器(DGYI-F型) |
|
| 公称直径DN |
安装尺寸MM |
管塞N |
| L |
H |
| 15 |
140 |
120 |
RC1/4 |
| 20 |
140 |
120 |
| 25 |
140 |
120 |
| 32 |
170 |
160 |
| 40 |
270 |
180 |
| 50 |
270 |
190 |
RC3/8 |
| 65 |
290 |
190 |
| 80 |
360 |
250 |
RC3/4 |
| 100 |
410 |
280 |
| 135 |
480 |
330 |
| 150 |
520 |
360 |
M20x1.5 |
| 200 |
660 |
450 |
|
图表(DN15-50、PN≤5.0MPa) |
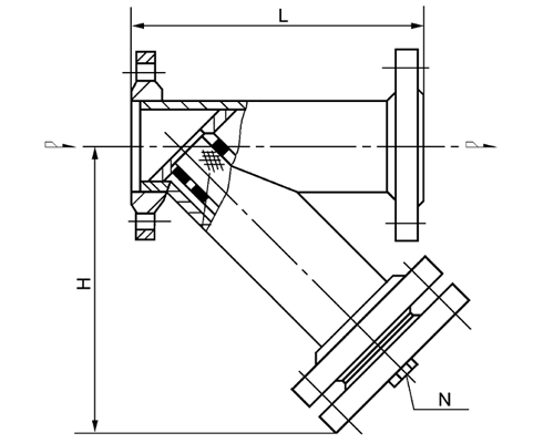
| 2、Y型法兰连接焊接式过滤器(DGYII-F型) |
|
|
| 公称直径DN |
安装尺寸MM |
管塞N |
| L |
H |
| 15 |
260 |
180 |
RC1/4 |
| 20 |
270 |
190 |
| 25 |
270 |
190 |
| 32 |
280 |
230 |
| 40 |
280 |
230 |
| 50 |
290 |
245 |
RC3/8 |
| 65 |
320 |
280 |
| 80 |
350 |
315 |
| 100 |
425 |
360 |
| 135 |
480 |
390 |
| 150 |
540 |
460 |
RC3/4 |
| 200 |
700 |
540 |
| 250 |
800 |
660 |
M20x1.5 |
| 300 |
950 |
750 |
| 350 |
1050 |
845 |
| 400 |
1250 |
920 |
|
| 3、Y型带夹套法兰连接焊接式过滤器(DGYJII-F型) |
|
| 公称直径
DN |
安装尺寸mm |
夹 套 |
管塞
N
|
| L |
H |
进口a |
出口b |
蒸汽压力 |
| 20 |
370 |
235 |
G1/2 |
G1/2 |
≤0.6MPa |
Rc1/4
|
| 25 |
370 |
235 |
G1/2 |
G1/2 |
| 32 |
390 |
275 |
G1/2 |
G1/2 |
| 40 |
390 |
285 |
G3/4 |
G3/4 |
| 50 |
420 |
295 |
G3/4 |
G3/4 |
Rc3/8 |
| 65 |
450 |
330 |
G3/4 |
G3/4 |
| 80 |
500 |
370 |
G3/4 |
G3/4 |
| 100 |
575 |
415 |
G3/4 |
G3/4 |
| 125 |
650 |
450 |
G3/4 |
G3/4 |
| 150 |
700 |
525 |
DN25 |
DN25 |
Rc3/4
|
| 200 |
890 |
610 |
DN25 |
DN25 |
|
| 4、Y型异径对焊连接焊接过式过滤器(DGYJII-W型) |
|
| 公称直径
DN1 X DN2 |
安装尺寸mm |
管塞
N |
| Φ1/δ1 X Φ2/δ2 |
L |
H |
| 80X65 |
Φ89/6.5 X Φ76/6 |
200 |
170 |
Rc3/8 |
| 100X80 |
Φ114/7 X Φ89/6.5 |
240 |
220 |
|
Φ108/7 X Φ89/6.5 |
240 |
220 |
| 150X100 |
Φ168/7 X Φ114/7 |
300 |
280 |
|
|
Φ159/7 X Φ108/7 |
300 |
280 |
| 150X125 |
Φ168/7 X Φ140/7 |
300 |
280 |
|
Φ159/7 X Φ133/7 |
300 |
330 |
| 200X125 |
Φ219/8 X Φ140/7 |
370 |
330 |
|
Φ219/8 X Φ133/7 |
370 |
330 |
| 200X150 |
Φ219/8 X Φ168/7 |
370 |
330 |
|
Φ219/8 X Φ159/7 |
370 |
330 |
| 250X150 |
Φ273/8 X Φ168/7 |
450 |
370 |
M20/1.5 |
|
Φ273/8 X Φ159/7 |
450 |
370 |
| 250X200 |
Φ273/8 X Φ219/8 |
450 |
370 |
| 300X250 |
Φ325/9 X Φ273/8 |
520 |
370 |
|
| |