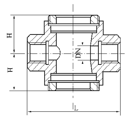
| 1、DSG-I对夹型视镜 |
|
DN |
窗径W |
管内径D |
H |
L |
适用工况 |
PN≤1.6 |
PN≤2.5 |
8 |
-- |
40 |
75 |
-- |
-- |
PN≤2.5MPa
工作压力≤1.0MPa
工作温度0-180oC |
10 |
58 |
40 |
75 |
140 |
160 |
15 |
58 |
40 |
75 |
140 |
160 |
20 |
68 |
50 |
85 |
160 |
180 |
25 |
68 |
50 |
85 |
160 |
180 |
40 |
78 |
60 |
115 |
180 |
200 |
|
| |
| 2、DSG-IIa全螺纹型视镜 |
|
DN |
L |
H |
适用工况 |
PN≤1.6 |
PN≤2.5 |
15(1/2") |
89 |
32 |
35 |
PN≤2.5MPa
工作压力≤1.0MPa
工作温度0-180oC |
20(3/4") |
89 |
32 |
35 |
25(1") |
89 |
35 |
35 |
|
| |
| 3、DSG-IIb螺纹接管对夹型视镜 |
|
DN |
窗径W |
H |
L |
适用工况 |
8 |
40 |
75 |
140 |
PN≤2.5MPa
工作压力≤1.0MPa
工作温度0-180oC |
10 |
40 |
75 |
140 |
15 |
40 |
75 |
140 |
20 |
50 |
85 |
150 |
25 |
50 |
85 |
160 |
|
| |
| 4、DSG-III单压型视镜 |
|
DN |
窗径W |
管内径D |
PN0.6 |
PN1.0、1.6 |
PN2.5 |
H |
L |
H |
L |
H |
L |
50 |
80/80 |
65/50 |
200 |
220 |
200 |
220/250 |
210 |
250/270 |
65 |
102/100 |
80/102 |
230 |
250 |
230 |
250/270 |
240 |
270/320 |
80 |
102/102 |
102/102 |
245 |
270 |
245 |
270/270 |
275 |
320/380 |
100 |
125/125 |
125/125 |
330 |
320 |
330 |
320/320 |
360 |
360/420 |
125 |
150/150 |
150/150 |
340 |
360 |
360 |
370/400 |
400 |
310/480 |
150 |
200/200 |
200/200 |
350 |
420 |
420 |
430/440 |
440 |
480/550 |
|
| 注:分母为摆板式单压视镜。工作压力≤1.0MPa,工作温度0-180oC |
| 5、DSG-IV框式单压型视镜 |
|
DN |
窗径W |
A |
H |
B |
L |
适用工况 |
PN≤1.6 |
PN≤2.5 |
50 |
30 |
90 |
140 |
120 |
-- |
-- |
PN≤2.5MPa
工作压力≤1.0MPa
工作温度0-180oC |
65 |
30 |
90 |
155 |
120 |
-- |
-- |
80 |
35 |
100 |
180 |
120 |
210 |
230 |
100 |
35 |
100 |
205 |
120 |
220 |
250 |
125 |
40 |
110 |
235 |
130 |
230 |
250 |
150 |
40 |
110 |
260 |
130 |
230 |
260 |
|
| |
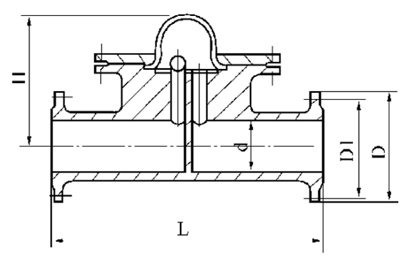
| 6、DSG-Va螺纹连接浮球型视镜 |
|
DN |
d |
D1 |
D |
L |
球Ф |
图号 |
20 |
16 |
G3/4" |
38 |
120 |
18 |
HGS07-128-01-1-4 |
25 |
16 |
G1" |
40 |
120 |
18 |
HGS07-128-02-1-4 |
32 |
16 |
G11/4" |
50 |
124 |
18 |
HGS07-128-03-1-4 |
40 |
16 |
G11/2" |
56 |
124 |
18 |
HGS07-128-04-1-4 |
50 |
16 |
G2" |
66 |
124 |
18 |
HGS07-128-05-1-4 |
|
| 注:PN≤0.6MPa,工作压力≤0.3MPa,工作温度≤180oC |
| 7、DSG-Vb法兰连接浮球型视镜 |
|
DN |
d |
D1 |
D |
L |
H |
球Ф |
图号 |
65 |
65 |
130 |
160 |
340 |
260 |
40 |
HGS07-129-01-1-4 |
80 |
80 |
150 |
185 |
340 |
270 |
40 |
HGS07-129-02-1-4 |
100 |
100 |
170 |
205 |
340 |
277 |
40 |
HGS07-129-03-1-4 |
125 |
125 |
200 |
235 |
340 |
290 |
40 |
HGS07-129-04-1-4 |
150 |
150 |
225 |
260 |
340 |
302 |
40 |
HGS07-129-05-1-4 |
|
| 注:PN≤0.6MPa,工作压力≤0.3MPa,工作温度≤80oC |
| 8、DSG-VI框式对夹型视镜 |
|
DN |
窗径W |
A |
H |
B |
L |
适用工况 |
PN≤1.6 |
PN≤2.5 |
15 |
18 |
75 |
85 |
110 |
200 |
200 |
PN≤2.5MPa
工作压力≤1.0MPa
工作温度0-180oC |
20 |
18 |
75 |
85 |
110 |
200 |
200 |
25 |
22 |
80 |
95 |
120 |
210 |
210 |
40 |
30 |
90 |
125 |
120 |
210 |
230 |
|
| |
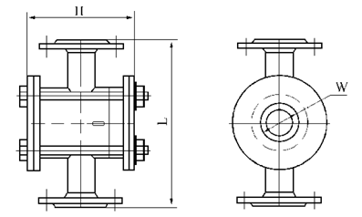
| 9、DSG-VII管型视镜 |
|
DN |
D |
V |
H |
L |
适用工况 |
15 |
32 |
80 |
70 |
220 |
PN≤0.25MPa
工作压力≤0.1MPa
工作温度≤80oC
|
20 |
45 |
80 |
70 |
220 |
25 |
58 |
80 |
70 |
220 |
40 |
74 |
80 |
70 |
220 |
50 |
89 |
80 |
80 |
240 |
65 |
110 |
80 |
80 |
240 |
|
| |
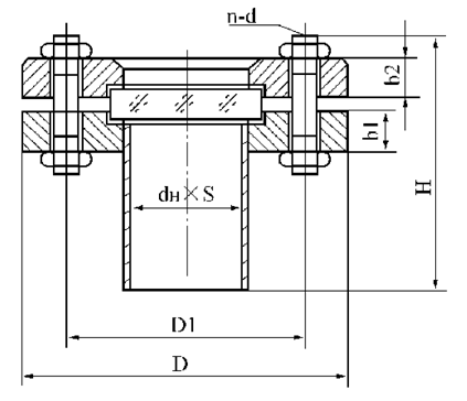
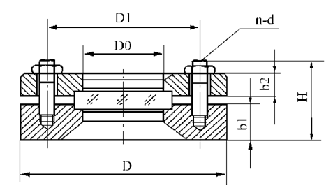
| 10、DSG-VIIIa压力容器视镜 |
|
DN |
PN(MPa) |
D |
D1 |
b1 |
b2 |
≈H |
螺柱 |
数量n |
直径d |
50 |
1.0 |
130 |
100 |
34 |
22 |
79 |
6 |
M12 |
1.6 |
130 |
100 |
34 |
24 |
79 |
6 |
M12 |
2.5 |
130 |
100 |
34 |
26 |
84 |
6 |
M12 |
80 |
1.0 |
160 |
130 |
36 |
24 |
86 |
8 |
M12 |
1.6 |
160 |
130 |
36 |
26 |
91 |
8 |
M12 |
2.5 |
160 |
130 |
36 |
28 |
96 |
8 |
M12 |
100 |
1.0 |
200 |
165 |
40 |
26 |
100 |
8 |
M16 |
1.6 |
200 |
165 |
40 |
28 |
105 |
8 |
M16 |
125 |
1.0 |
225 |
190 |
40 |
28 |
105 |
8 |
M16 |
150 |
1.0 |
250 |
215 |
40 |
30 |
110 |
12 |
M16 |
|
| 注:压力容器视镜参照HGJ501-502-86标准。工作温度0-180oC |
| 11、DSG-VIIIb压力容器带颈视镜 |
|
DN |
PN(MPa) |
D |
D1 |
b1 |
b2 |
DhXS |
h |
≈H |
螺柱 |
数量n |
直径d |
50 |
1.0 |
130 |
100 |
22 |
22 |
57X3.5 |
70 |
79 |
6 |
M12 |
1.6 |
130 |
100 |
24 |
24 |
57X3.5 |
70 |
79 |
6 |
M12 |
2.5 |
130 |
100 |
26 |
26 |
57X3.5 |
70 |
84 |
6 |
M12 |
80 |
1.0 |
160 |
130 |
24 |
24 |
89X4 |
70 |
86 |
8 |
M12 |
1.6 |
160 |
130 |
26 |
26 |
89X4 |
70 |
91 |
8 |
M12 |
2.5 |
160 |
130 |
28 |
28 |
89X4 |
70 |
96 |
8 |
M12 |
100 |
1.0 |
200 |
165 |
26 |
26 |
108X4 |
80 |
100 |
8 |
M16 |
1.6 |
200 |
165 |
28 |
28 |
108X4 |
80 |
105 |
8 |
M16 |
125 |
1.0 |
225 |
190 |
28 |
28 |
133X4 |
80 |
105 |
8 |
M16 |
150 |
1.0 |
250 |
215 |
30 |
30 |
159X4.5 |
80 |
110 |
12 |
M16 |
|
| 注:压力容器视镜参照HGJ501-502-86标准。工作温度0-180oC |
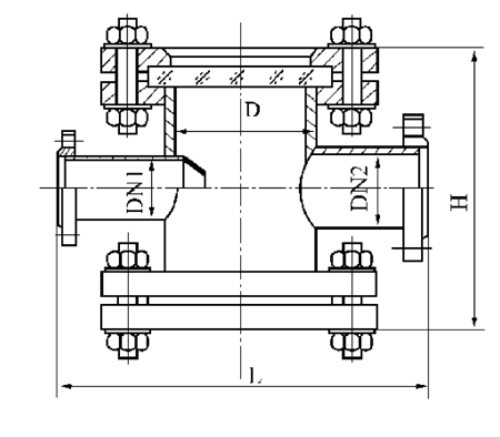
| 12、DSG-IXa单压异径型视镜 |
|
DN1XDN12 |
l |
d |
H |
适用工况 |
PN2.5 |
PN0.6 |
25X32 |
260 |
95 |
226 |
234 |
PN≤0.25MPa
工作温度0-180oC |
41X50 |
320 |
140 |
226 |
278 |
50X65 |
320 |
140 |
226 |
278 |
65X80 |
360 |
165 |
300 |
308 |
80X100 |
360 |
165 |
300 |
308 |
|