过滤器,混合器-日本独资·牛宝体育app!
HOME | EMAIL |  MAP
 
乳化机-大野机械产品展示
 
牛宝体育app
牛宝体育app
牛宝体育app
牛宝体育app
牛宝体育app
牛宝体育app
牛宝体育app
牛宝体育app
牛宝体育app
 
     
  混合机_混合器_乳化机_过滤器_
星形给料阀

产品特性:


  大野机械的星形给料阀亦称为星形给料器、星形卸料阀、星形卸料器、旋转阀、星阀、关风机、回转阀、卸灰阀,日本大野机械的星形给料阀在多种场合中作均匀出料或均匀加料装置,用于混合机、锥形料仓、干燥机、旋风分离装置等。


主要特点:


*.通过压力密封发挥其优异性能
*.能定量供料
*.能提供50~750mm的各种标准、各种尺寸口径
*.对应各种尺寸的口径,可提供圆形和方形的法兰连接
*.PL标准型为齿轮电机驱动(也有链条驱动式),可选择调速
.经久耐用、性能出众
 .根据2万台以上销售实绩及经验,可以接洽特殊的设计要求



产品工作示意图:

牛宝体育app



原理图轴装式直联式侧装式

技术特性表:
型 号DXF-100DXF-150DXF-200DXF-250
叶轮转速(r/min)2433243324332433
生产能力(m3/h)0.51.00.81.62.55.06.513
电机功率(kw)0.550.750.751.1
型 号DXF-300DXF-350DXF-400DXF-500
叶轮转速(r/min)2433243324332433
生产能力(m3/h)10.521163223.5473978
电机功率(kw)1.11.52.24
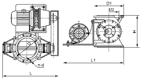
外型安装尺寸:
星形给料阀示意�?.jpg
型号D1DLHWnXd
DXF-1002452206502806208X18
DXF-1503002557103306508X22
DXF-2003553107803906808X22
DXF-25041537085047073012X22
DXF-30046542092055080012X22
DXF-35053048598060085016X22
DXF-4005955451140690100020X26
DXF-5007006501280820114020X26

型号D1DLHnXd
DXF-1002452209902808X18
DXF-15030025510203308X22
DXF-20035531011203908X22
DXF-250415370117047012X22
DXF-300465420124055012X22
DXF-350530485130060016X22
DXF-400595545141269020X26
DXF-500700650151282020X26
型号D1DHLL1nXd
DXF-1002452202805505008X18
DXF-1503002553306005558X22
DXF-2003553103907157568X22
DXF-25041537047081087012X22
DXF-30046542055086091012X22
DXF-35053048560095095016X22
DXF-40059554569098098020X26
DXF-5007006508201100109020X26

卫生型(可清洗):


星形给料阀

螺旋输送机

 
 
 
牛宝体育app

COPYRIGHT © 2004 日本独资·牛宝体育app 版权所有 苏ICP备05009106号

大野机械主要产品混合机_混合器_乳化机_搅拌机_分散机_阻火器_呼吸阀_输送机